热门排行

2024
03/11
10:58
果果小编
评论
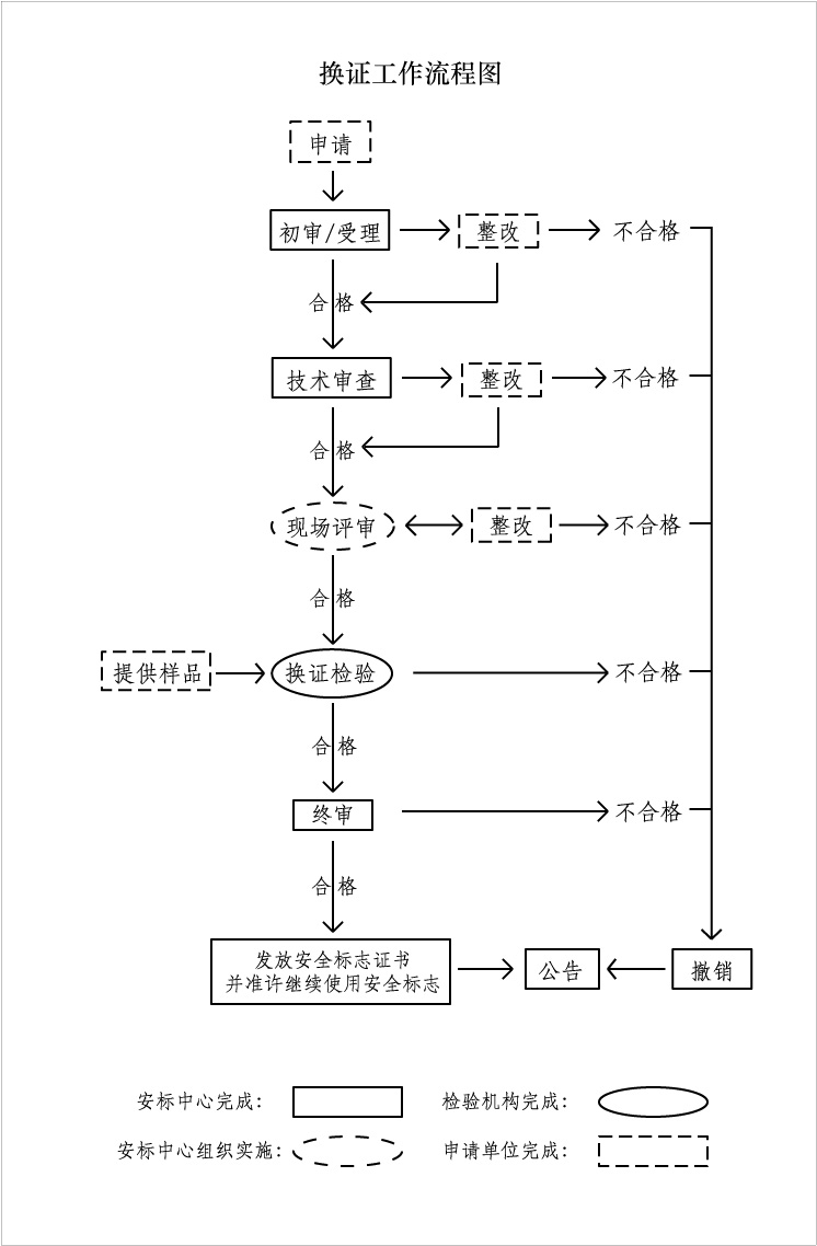
1、换证申办程序
已取得安全标志的生产单位,其特种劳动防护用品安全标志证书有效期届满90日前,申请办理延续手续,执行本程序。
2、申请
换证企业在其产品安全标志有效期届满90日前,向安标中心提出申请。申请应通过安标中心网站提交。
3、初审与受理
安标中心对换证企业递交的申请材料进行初审,合格的,予以受理并发出“受理通知书”,不合格的,发出“不予受理通知书”。
4、技术审查
安标中心对受理的换证材料进行技术审查。经技术审查不符合要求的,向申请换证企业发出技术审查整改通知。申请换证的生产企业应在接到整改通知之日起30日内完成整改,逾期未完成整改或整改后仍不符合要求的,终止技术审查并向其发出书面通知。被终止技术审查的生产企业,自被终止技术审查之日起180日内,不得重新申请特种劳动防护用品安全标志。
技术审查符合要求的,由安标中心向换证企业发出《特种劳动防护用品安全标志现场评审通知书》,对换证企业进行现场评审并抽样。
5、现场评审
1.现场评审依据为《特种劳动防护用品安全标志现场评审规范》(劳防安标字[2013]1号文件)。
2.现场评审实行组长负责制。评审组一般由2-3人组成;评审工作时间一般为2-3天。
6、终审
安标中心对换证企业进行综合审核,对符合换证条件的,给予换发证书并予以公告。对不符合换证条件的,不予换证并向其发出书面通知。不予换证的生产企业,自不予换证之日起180日内,不得重新申请特种劳动防护用品安全标志。
发表评论 0条
发表
相关推荐